服务热线:+0750-8308108
本文在传统方法合成N,N,N1, N1,-四(β—羟乙基)己二酰胺工艺的基础上,研究了催化剂的种类、带甲醇用溶剂、结晶溶剂、烘干方式对HAA产品及涂膜性能的影响。
结果表明:在适宜的工艺条件下,HAA产品纯度可以达到99%,并且可以实现较好的涂膜外观、膜厚针孔厚度及流平性。
在保证产品纯度及膜厚、流平的基础上,外加干爽剂、膜厚针孔抑制剂也能够进一步提高膜厚针孔的厚度及流平性,能够为高流平HAA粉末涂料的制备作参考。
1、引言
N,N,N1, N1,-四(β—羟乙基)己二酰胺(简称HAA)是四官能度的低毒性户外粉末涂料固化剂,可与端羧基聚酯或丙烯酸树脂反应,形成酯链而交联。
与耐候性能良好的固化剂异氰酸三缩水甘油酯(TGIC)相比,HAA可制备出无毒,无生物突变的新型粉末涂料,因其具有环保、安全和节能的特性备受关注。
目前,合成四羟乙基二酰胺类化合物的方法主要有:
(1)采用二元酸与醇胺直接反应,该方法得到的是酰胺与酯的混合物;
(2)采用烷醇胺与环氧乙烷或氯乙醇反应,该方法得到的是纯度较高的产品,但由于环氧乙烷沸点低,操作不便且不安全;
(3)采用二酸酯与烷醇胺在碱催化下反应,该方法是国内外合成四羟乙基二酰胺类化合物的主要方法。
在应用性能方向,HAA由于自身官能度高导致其活性强,自身极易吸潮、固化过程出水等固有因素存在,导致高流平、厚膜HAA粉末涂料较难实现。
目前、主要是从聚酯方面进行改进,如降低聚酯酸值及活性、降低体系熔融粘度等以匹配HAA产品的使用,HAA作为成膜的另一主要组分,较少对其进行研究以制备高流平的粉末涂料。
本文在聚酯固定的基础上,以HAA产品为研究对象,从HAA产品的合成过程入手,探索其潜在影响高流平HAA粉末涂料的因素,以期获得可用的高流平粉末涂料用HAA产品。
2、实验部分
2.1试剂
己二酸二甲酯、氢氧化钾、活性—60氧化镁、聚酯树脂(SJ4B),流平剂(HL998)、安息香(HA501)等均为工业品;浓硫酸、三氧化铝、甲醇钠、二乙醇胺、氢氧化钾、甲醇和丙酮等均为分析纯。
2.2 N,N,N1, N1, -四(β—羟乙基)己二酰胺的合成
在500ml四口反应瓶中加入一定量的二乙醇胺、甲醇钠,启动搅拌,加热至75℃,真空度0.09MPa,开始滴加己二酸二甲酯,滴加完毕后,减压下蒸出甲醇。
然后升温至95℃继续反应3h,加入带甲醇用溶剂,继续脱出溶剂1h,冷却至室温,然后结晶、过滤和干燥得到白色粉末状产品。
2.3 测试与表征
采用北京泰克XT-4双目显微熔点测定仪测定产品熔点,LC-20A岛津液相色谱仪测定产品纯度,傅里叶变换红外光谱仪(美国Nicolet公司)表征其分子结构。
2.4 涂膜制备
底材为150mm×70mm马口铁板,前处理过程为:用240,360,600号砂纸依次打磨→乙醇清洗(95%,常温,30s)→冷干。

3、结果与讨论
3.1催化剂种类
对于酰胺化反应来说,酸碱均可催化反应的进行。本实验选用不同的催化剂来催化HAA的合成实验,结果见表2。其他反应条件为:结晶溶剂,甲醇;烘干时间:12h。

从表2可以看出,酸碱均能够催化HAA合成的酰胺化反应,由于本合成体系为碱性环境,浓硫酸作为强酸,会与原料二乙醇胺发生中和反应,无法在该合成体系中使用。
弱酸三氯化铝、弱碱碳酸钾、强碱氢氧化钾及甲醇钠对HAA的合成均具有一定的催化效果,其中以甲醇钠催化效果最佳。
上述催化剂中由于三氯化铝是酸性催化剂,相比于碱性催化剂,其在HAA产品中的残留对于促进产品与羧基聚酯的高温固化效果更明显。
所以胶化时间较短,涂膜厚膜针孔厚度、外观及流平均较差。在碱性催化剂中,综合考虑,最佳的催化剂为甲醇钠。
3.2 带甲醇用溶剂的选择
由于在HAA合成的后期,随着原料己二酸二甲酯与二乙醇胺反应殆尽,副产物甲醇也被大量脱除出反应体系,体系的粘度变得非常大。
同时由于反应釜内气液物料的相互平衡,导致少量残留的甲醇无法被脱除反应体系,进一步影响到己二酸二甲酯与二乙醇胺的反应平衡。
为了进一步提高反应的转化率,更好地推动反应进行,需要除去反应体系中少量的副产物甲醇,在实验中,使用溶剂带出甲醇的方法,选用溶剂种类对产品的影响见表3。其他条件为:催化剂,甲醇钠;结晶溶剂,甲醇;烘干时间,12h。

从表3可以看出,在反应后期,使用不同的带甲醇溶剂可以适当提高HAA产品的收率,这说明这些溶剂的加入,一方面降低反应体系粘度,促进剩余物料的反应。
另一方面在这些溶剂的脱除过程中带出残留在反应体系中少量的甲醇,从而推动反应的进一步进行,可以适当提高收率。
但是该方法对于HAA的涂膜应用性能并无明显提高,主要原因是最终未反应的大部分物料及残留的带甲醇溶剂会通过甲醇结晶过程中出去,对最终HAA产品纯度的影响不明显。
3.3 结晶溶剂的选择
不同结晶溶剂对产品的收率及品质影响很大,结晶溶剂对纯HAA样品的溶解度及其对实验中HAA产品的影响见表4。其他条件为:催化剂,甲醇钠;带甲醇用溶剂,环己烷;烘干时间,12h。
由表4知,不同溶剂对HAA纯品的溶解度不同,而甲醇在不同温度下对HAA纯品的溶解度有较大的差异,而乙醇和丙酮对HAA纯品的溶解度随温度的变化影响较小。
因此,甲醇适合作为HAA的结晶溶剂。同时以甲醇作为结晶溶剂,HAA产品纯度最高,收率也适中,且涂膜性能也最佳,乙醇和丙酮作为结晶溶剂,产品的熔程较低,涂膜性能也不好。因此,最适宜的结晶溶剂为甲醇。
3.4 烘干工艺选择
为了保证产品有足够低的挥发份及挥发性杂质,HAA产品的烘干工艺显得比较重要。与鼓风烘干工艺相比,真空烘干工艺具有温度低、时间短、物料色度好的优点,依据现有的合成工艺。
为了保证HAA较好的色度外观,本实验选用真空干燥工艺,烘干温度确定为75℃,物料厚度确定为3cm,考察了烘干时间对挥发份及HAA产品的影响,结果见表5。
从表5可以看出,在其他条件确定的情况下,烘干时间对物料挥发份、HAA产品熔程、涂膜性能均有较大影响。
其中,残留的挥发份含量对HAA产品的涂膜性能也影响较大,尤其是对厚膜针孔的影响更加明显。
随着烘干时间的延长,产品的挥发份含量起初下降 较快而后变化不明显,在物料厚度3cm、温度为75℃条件下,12h的烘干时间基本可以使产品的挥发份保持在较低水平,且涂膜性能可以达到高流平要求,因此,事宜的烘干时间选为12h。
3.5 产品纯度测定
在最优的工艺条件,(催化剂,甲醇钠;带甲醇溶剂,环己烷;结晶溶剂,甲醇;烘干时间,12h)下,我们分别借助熔点仪和自动电位测定仪分别测定熔程和羟基当量,产品熔程为127~128℃,羟基当量为81~83g/eq,与理论值非常接近。

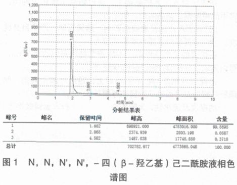
由图1可以看出,通过液相色谱对产品的测定,产品纯度达99%以上。与液相标准图谱比较,在同样的检测条件下,出峰的保留时间在1.8min左右。
因此,综合得知,本实验合成得到的产品是高纯度的N,N,N1, N1,-四(β—羟乙基)己二酰胺。
3.6 产品的红外光谱表征

图2是试验产品N,N,N1, N1,-四(β—羟乙基)己二酰胺的红外光谱图,从中可以看出,3380cm-1和3427cm-1分别是酰胺和羟基的特征吸收峰;
2940cm-1和2871cm-1吸收峰是亚甲基的特征吸收峰,由于产品N,N,N1, N1,-四(β—羟乙基)己二酰胺中亚甲基个数较少,所有该处的吸收峰并不强烈;1610cm-1是酰胺中羰基的特征吸收峰。
3.7外加剂
3.7.1干爽剂
针对HAA粉末涂料体系,通过添加活性-60氧化镁、无水氯化钙粉末、纳米碳酸钙的方式考察其对HAA粉末涂料涂膜的影响,结果见表6。

从表6可以看出,上述几种干爽剂的使用,对HAA产品的粉末针孔有适当改善,但流平有降低的趋势,说明这些干爽剂的使用能够减少HAA粉末体系中小分子的散发,可以适当提高厚膜针孔的厚度,但降低了流平性。
3.7.2 厚膜针孔抑制剂
为了获得高流平、厚涂的HAA粉末涂料,可以选择不同的抑制HAA体系厚膜针孔的方式。
常见的方式有两种,一是通过外加物料达到降低体系固化时熔融粘度的作用,便于小分子物质从涂膜内部逸出;
二是添加能够降低HAA与羧基树脂固化活性的抑制剂,达到适当延长胶化时间以实现厚膜针孔厚度增加及高流平的目的。本实验通过外加HAA质量1%抑制剂的方式,考察了不同的抑制剂对HAA粉末涂料涂膜的影响,结果见表7。

从表7可以看出,不同种类的厚膜抑制剂对HAA产品的针孔抑制原理及效果均不同,其中硬脂酸,硬脂酰胺、乙撑双硬脂酰胺主要是从增加熔融体系的润滑性。
流动性的角度来改善厚膜针孔,三种物质都对厚膜针孔厚度有提高和改善,说明这些物质的加入有助于水分子的逸出,其中以市场上比较常用的助剂品种乙撑双硬脂酸酰胺的使用效果最佳;
而季铵盐与季鏻盐目前主要作为环氧化合物合成的催化剂及TGIC粉末涂料体系的固化促进剂,在HAA体系中,这些物质不仅不能促进固化,而且对聚酯与HAA的固化有一定的抑制作用。
导致固化速率变得平缓,则反应前期生成的水容易拖出,可以提高厚膜针孔的厚度,其中以三苯基乙基溴化膦效果最好。
3.8 优化HAA产品与市售HAA产品对比
将优化后的HAA与市售HAA产品以相同添加量加入粉末涂料配方中,测试所得涂膜的性能并进行比较,结果见表8。

从表8可知,优化后的HAA产品的制板效果与市售HAA在主要性能方面几乎相同,但粉末细腻性、光泽、厚膜针孔厚度及流平性等方面更胜一筹,说明优化的HAA产品可以替代市售HAA产品或与其混合使用。
4、结论
在传统合成工艺的基础上,通过研究了催化剂种类、带甲醇用溶剂、结晶溶剂、烘干方式对HAA产品及涂膜的影响。结果表明,产品自身纯度及挥发份含量对涂膜性能影响较大。
在优化的工艺条件下,HAA产品纯度可以达到99%,可以实现较好的涂膜性能。在保证产品纯度及膜厚、流平的基础上,通过外加干爽剂、厚膜针孔抑制剂可以进一步提高厚膜针孔厚度及流平性,为制备高流平HAA粉末涂料作参考。